デモ版公開中です。問題を触ったあとに、使いにくかった点は 運営フォーム(外部) から送れます。

進行状況
10 / 22 問

2025年度 電験3種 上期 - 機械 - 問10 電験3種 配点 5

問題文

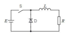
図のような直流チョッパがある。 直流電源電圧 \(E=400\text{V}\) 平滑リアクトル \(L=1\text{mH}\), 負荷抵抗 \(R=10\Omega\), スイッチSの動作周波数 \(f=10\text{kHz}\), 通流率 \(d=0.6\) で回路が定常状態になっている。Dはダイオードである。このとき負荷抵抗に流れる電流の平均値[A]として最も近いものを次の(1)~(5)のうちから一つ選べ。

2025年度 上期 機械 問10
出典:令和7年度第三種電気主任技術者機械科目A問題問10
問題図
図はタップで拡大できます。
選択肢
  • (1)
    40.0
  • (2)
    24.0
  • (3)
    16.0
  • (4)
    3.8
  • (5)
    2.5
選択肢を選んでください
選択だけではまだ採点されません。
この問題を触った感想を送ってください

内容の誤りや不足はもちろん、見づらさや使いにくさも歓迎しています。デモ版の改善に使います。

広告枠
この枠は無料ユーザー向けに表示されます
広告なしで使いたい場合はライト以上へ切り替えると非表示になります。
プランを見る