デモ版公開中です。問題を触ったあとに、使いにくかった点は 運営フォーム(外部) から送れます。

進行状況
10 / 22 問

2022年度 電験3種 上期 - 機械 - 問10 電験3種 配点 5

問題文

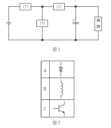
図1は直流チョッパ回路の基本構成図を示している。降圧チョッパを構成するデバイスを図2より選んで回路を構成したい。(ア)〜(ウ)に入るデバイスの組合せとして、正しいものを次の(1)〜(5)のうちから一つ選べ。 ただし、図2に示す図記号の向きは任意に変更できるものとする。

2022年度 上期 機械 問10
出典:令和4年度第三種電気主任技術者機械科目A問題問10
問題図
図はタップで拡大できます。
選択肢
(ア)
(イ)
(ウ)
  • (1)
    (ア)
    B
    (イ)
    A
    (ウ)
    C
  • (2)
    (ア)
    B
    (イ)
    C
    (ウ)
    A
  • (3)
    (ア)
    C
    (イ)
    A
    (ウ)
    B
  • (4)
    (ア)
    C
    (イ)
    B
    (ウ)
    A
  • (5)
    (ア)
    A
    (イ)
    B
    (ウ)
    C
選択肢を選んでください
選択だけではまだ採点されません。
この問題を触った感想を送ってください

内容の誤りや不足はもちろん、見づらさや使いにくさも歓迎しています。デモ版の改善に使います。

広告枠
この枠は無料ユーザー向けに表示されます
広告なしで使いたい場合はライト以上へ切り替えると非表示になります。
プランを見る