要点
正解は(1)。各ゲートの出力式を書き下ろし、条件ごとの動作を比べると整理できます。基本式の意味と、条件がどの項に効くかを先に整理して進めます。復習では、使った式の各項が何を表すかを言い直せるか確認すると応用が利きやすくなります。
詳細解説
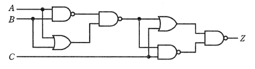
回路を追っていくと以下のようになります。
1. 上段NAND: \( \overline{A \cdot B} \)
2. 下段OR: \( A + B \)
3. 中段NAND: \( \overline{ (\overline{A \cdot B}) \cdot (A + B) } \)
これはXORの否定、つまりXNOR (一致回路) となります。\( A \odot B \)。
(A=Bなら1, A≠Bなら0)
これを \( X \) と置きます。
4. 右側の回路は、信号 \( X \) と \( C \) を入力として、同様のXNOR構成(またはXOR構成)になっています。
詳細な解析:
* 右上OR: \( X + C \)
* 右下NAND: \( \overline{X \cdot C} \)
* 出力Z (NAND): \( \overline{ (X+C) \cdot (\overline{X \cdot C}) } \)
これはXORの否定の否定? いえ、\( (X+C)(\overline{XC}) \) は XOR (排他的論理和) です。
それのNAND(否定)をとっているので、最終的な出力 Z は \( \overline{X \oplus C} = X \odot C \) (XNOR)となります。
つまり、全回路は \( Z = (A \odot B) \odot C \) という構成です。
これは「偶数パリティ」のような動作をします(1の個数が偶数個なら1?確認します)。
* 0,0,0 -> A=B(1) -> 1と0のXNOR -> 0
* 0,0,1 -> A=B(1) -> 1と1のXNOR -> 1
* 0,1,0 -> A≠B(0) -> 0と0のXNOR -> 1
* 0,1,1 -> A≠B(0) -> 0と1のXNOR -> 0
* 1,0,0 -> A≠B(0) -> 0と0のXNOR -> 1
* 1,0,1 -> A≠B(0) -> 0と1のXNOR -> 0
* 1,1,0 -> A=B(1) -> 1と0のXNOR -> 0
* 1,1,1 -> A=B(1) -> 1と1のXNOR -> 1
Zの出力列: 0, 1, 1, 0, 1, 0, 0, 1
これに合致するのは選択肢(1)です。