電験3種 過去問演習

気づいた点は 運営フォーム(外部) で送れます。

通常演習
同じ年度・科目の順番で進みます。
6 / 22 問
一覧へ戻る 次へ進むと同じ条件を保持します。
問題演習

2014年度 電験3種 上期 - 機械 - 問6 2014年度 機械 問6

電験3種 配点 5
ログイン不要で試せます
問題文

まず問題文だけに集中します。採点後に要点と解説へ進みます。

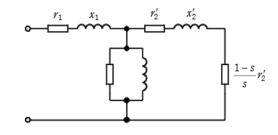
次の文章は、三相誘導電動機の等価回路に関する記述である。 三相誘導電動機の1相当たりの等価回路は、 (ア) と同様に表すことができ、その等価回路を使用することによって電圧V及び周波数を同時に変化させるインバータで運転したときの磁束、トルクの特性を検討することができる。 図の (イ) 等価回路において、誘導電動機を例えば定格周波数、定格電圧の数パーセント程度の周波数、電圧で始動するときの特性を考える。この場合、もし始動電流が定格電流と同じだけ流れると、 (ウ) による電圧降下の一次電圧に対する比率が定格時よりも大きくなるので、磁束が減少し、発生トルクが (エ) することが理解できる。また、誘導電動機を例えば定格周波数、定格電圧で運転するときは、上記電圧降下による計算誤差が小さく、計算が簡単になるので、励磁回路を図の (オ) 側に移した簡易等価回路を使うことも有効である。この運転では、もしインバータが出力する電圧Vが減少したとしても、比 \(\dfrac{V}{f}\) を一定に保つように周波数 \(f\) を減少させれば、負荷変動に影響されずに励磁電流がほぼ一定となることが分かる。 [図: T形等価回路] 上記の記述中の空白箇所(ア)、(イ)、(ウ)、(エ)及び(オ)に当てはまる組合せとして、正しいものを次の(1)~(5)のうちから一つ選べ。

2014年度 機械 問6の問題図
図はタップで拡大できます。
選択肢

選択後、下の採点ボタンで確認します。

1 選ぶ 2 採点 3 解説
(ア)
(イ)
(ウ)
(エ)
(オ)
  • (1)
    (ア)
    同期電動機
    (イ)
    L形
    (ウ)
    一次抵抗
    (エ)
    増加
    (オ)
    右端の負荷抵抗
  • (2)
    (ア)
    変圧器
    (イ)
    T形
    (ウ)
    一次抵抗
    (エ)
    減少
    (オ)
    左端の端子
  • (3)
    (ア)
    同期電動機
    (イ)
    T形
    (ウ)
    二次漏れリアクタンス
    (エ)
    減少
    (オ)
    右端の負荷抵抗
  • (4)
    (ア)
    変圧器
    (イ)
    L形
    (ウ)
    一次抵抗
    (エ)
    増加
    (オ)
    右端の負荷抵抗
  • (5)
    (ア)
    変圧器
    (イ)
    T形
    (ウ)
    二次漏れリアクタンス
    (エ)
    減少
    (オ)
    左端の端子
選択肢を選ぶ
選択だけではまだ採点されません。
続けるなら履歴保存

まずこの問題を試せます。無料登録で履歴保存を始めると、14日間は次にやる復習と苦手まで見えます。続けるならライトです。

広告枠
この枠は無料ユーザー向けに表示されます
広告なしで使いたい場合はライト以上へ切り替えると非表示になります。
プランを見る