要点
正解は(1)。基本式と比例関係を使って、変わる量と変わらない量を整理する問題です。変わる量と変わらない量を切り分けて考えると判断しやすいです。復習では、使う式、代入値、単位換算の順で声に出して確認すると取り違えが減ります。
詳細解説
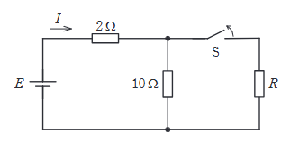
スイッチ開放時の電流 \(I_{\text{off}}\) は、
\[ I_{\text{off}} = \dfrac{E}{2 + 10} = \dfrac{E}{12} \]
スイッチ閉路時の電流 \(I_{\text{on}}\) は、\(10\Omega\) と \(R\) の並列合成抵抗 \(R_p = \dfrac{10R}{10+R}\) を用いて、
\[ I_{\text{on}} = \dfrac{E}{2 + R_p} \]
条件より \(I_{\text{on}} = 3 I_{\text{off}}\) なので、
\[ \dfrac{E}{2 + R_p} = 3 \times \dfrac{E}{12} = \dfrac{E}{4} \]
\[ 2 + R_p = 4 \rightarrow R_p = 2 \]
\[ \dfrac{10R}{10+R} = 2 \rightarrow 10R = 20 + 2R \rightarrow 8R = 20 \rightarrow R = 2.5 [\Omega] \]
よって、(1)が正しい。