デモ版公開中です。問題を触ったあとに、使いにくかった点は 運営フォーム(外部) から送れます。

進行状況
7 / 22 問

2023年度 電験3種 下期 - 理論 - 問7 電験3種 配点 5

問題文

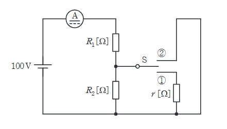
図のように、抵抗、切換スイッチS及び電流計を接続した回路がある。この回路に直流電圧 \(100 \mathrm{V}\) を加えた状態で、図のようにスイッチSを開いたとき電流計の指示値は \(2.0 \mathrm{A}\) であった。また、スイッチSを①側に閉じたとき電流計の指示値は \(2.5 \mathrm{A}\)、スイッチSを②側に閉じたとき電流計の指示値は \(5.0 \mathrm{A}\) であった。 このとき、抵抗 \(r\) の値 \(\mathrm{[\Omega]}\) として、正しいものを次の(1)~(5)のうちから一つ選べ。 ただし、電流計の内部抵抗は無視できるものとし、測定誤差はないものとする。

2023年度 下期 理論 問7
出典:令和5年度第三種電気主任技術者理論科目A問題問7
問題図
図はタップで拡大できます。
選択肢
  • (1)
    20
  • (2)
    30
  • (3)
    40
  • (4)
    50
  • (5)
    60
選択肢を選んでください
選択だけではまだ採点されません。
この問題を触った感想を送ってください

内容の誤りや不足はもちろん、見づらさや使いにくさも歓迎しています。デモ版の改善に使います。

広告枠
この枠は無料ユーザー向けに表示されます
広告なしで使いたい場合はライト以上へ切り替えると非表示になります。
プランを見る