電験3種 過去問演習
通常演習
同じ年度・科目の順番で進みます。
12 / 16 問
一覧へ戻る 次へ進むと同じ条件を保持します。
問題演習

2009年度 電験3種 上期 - 法規 - 問11(b) 2009年度 法規 問11(b)

電験3種 配点 5
ログイン不要で試せます
問題文

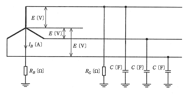
図に示すような、相電圧 \(E\) [V]、周波数 \(f\) [Hz] の対称三相3線式低圧電路があり、変圧器の中性点に B種接地工事が施されている。B種接地工事の接地抵抗値を \(R_B\) [\(\Omega\)]、電路の一相当たりの対地静電容量を \(C\) [F]とする。 この電路の絶縁抵抗が劣化により、電路の一相のみが絶縁抵抗値 \(R_G\) [\(\Omega\)] に低下した。このとき、次の(a)及び(b)に答えよ。 ただし、上記以外のインピーダンスは無視するものとする。 相電圧 \(E\) を100 [V]、周波数を50 [Hz]、対地静電容量 \(C\) を0.1 [\(\mu\)F]、絶縁抵抗値 \(R_G\) を100 [\(\Omega\)]、接地抵抗値 \(R_B\) を15 [\(\Omega\)] とするとき、上記(a)の \(I_B\) の値として、最も近いのは次のうちどれか。

2009年度 法規 問11(b)の問題図
図はタップで拡大できます。
選択肢

選択して採点します。

1 選ぶ 2 採点 3 解説
  • (1)
    0.87
  • (2)
    0.99
  • (3)
    1.74
  • (4)
    2.61
  • (5)
    6.67
選択肢を選ぶ
選択だけではまだ採点されません。
続けるなら履歴保存

まずこの問題を試せます。無料登録で履歴保存を始めると、14日間は次にやる復習と苦手まで見えます。続けるならライトです。

広告枠
この枠は無料ユーザー向けに表示されます
広告なしで使いたい場合はライト以上へ切り替えると非表示になります。
プランを見る