デモ版公開中です。問題を触ったあとに、使いにくかった点は 運営フォーム(外部) から送れます。

進行状況
8 / 22 問

2022年度 電験3種 上期 - 理論 - 問8 電験3種 配点 5

問題文

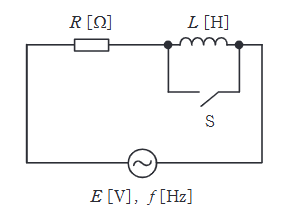
図のように、周波数 \( f \mathrm{[Hz]} \) の正弦波交流電圧 \( E \mathrm{[V]} \) の電源に、\( R \mathrm{[\Omega]} \) の抵抗、インダクタンス \( L \mathrm{[H]} \) のコイルとスイッチSを接続した回路がある。スイッチSが開いているときに回路が消費する電力 \(\mathrm{[W]}\) は、スイッチSが閉じているときに回路が消費する電力 \(\mathrm{[W]}\) の \( \dfrac{1}{2} \) になった。このとき、\( L \mathrm{[H]} \) の値を表す式として、正しいものを次の(1)~(5)のうちから一つ選べ。

2022年度 上期 理論 問8
出典:令和4年度第三種電気主任技術者理論科目A問題問8
問題図
図はタップで拡大できます。
選択肢
  • (1)
    \( 2 \pi f R \)
  • (2)
    \( \dfrac{R}{2 \pi f} \)
  • (3)
    \( \dfrac{2 \pi f}{R} \)
  • (4)
    \( \dfrac{(2 \pi f)^2}{R} \)
  • (5)
    \( \dfrac{R}{\pi f} \)
選択肢を選んでください
選択だけではまだ採点されません。
この問題を触った感想を送ってください

内容の誤りや不足はもちろん、見づらさや使いにくさも歓迎しています。デモ版の改善に使います。

広告枠
この枠は無料ユーザー向けに表示されます
広告なしで使いたい場合はライト以上へ切り替えると非表示になります。
プランを見る