電験3種 過去問演習

気づいた点は 運営フォーム(外部) で送れます。

通常演習
同じ年度・科目の順番で進みます。
10 / 22 問
一覧へ戻る 次へ進むと同じ条件を保持します。
問題演習

2022年度 電験3種 上期 - 機械 - 問10 2022年度 上期 機械 問10

電験3種 配点 5
ログイン不要で試せます
問題文

まず問題文だけに集中します。採点後に要点と解説へ進みます。

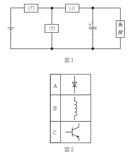
図1は直流チョッパ回路の基本構成図を示している。降圧チョッパを構成するデバイスを図2より選んで回路を構成したい。(ア)〜(ウ)に入るデバイスの組合せとして、正しいものを次の(1)〜(5)のうちから一つ選べ。 ただし、図2に示す図記号の向きは任意に変更できるものとする。

2022年度 上期 機械 問10の問題図
図はタップで拡大できます。
選択肢

選択後、下の採点ボタンで確認します。

1 選ぶ 2 採点 3 解説
(ア)
(イ)
(ウ)
  • (1)
    (ア)
    B
    (イ)
    A
    (ウ)
    C
  • (2)
    (ア)
    B
    (イ)
    C
    (ウ)
    A
  • (3)
    (ア)
    C
    (イ)
    A
    (ウ)
    B
  • (4)
    (ア)
    C
    (イ)
    B
    (ウ)
    A
  • (5)
    (ア)
    A
    (イ)
    B
    (ウ)
    C
選択肢を選ぶ
選択だけではまだ採点されません。
続けるなら履歴保存

まずこの問題を試せます。無料登録で履歴保存を始めると、14日間は次にやる復習と苦手まで見えます。続けるならライトです。

広告枠
この枠は無料ユーザー向けに表示されます
広告なしで使いたい場合はライト以上へ切り替えると非表示になります。
プランを見る