電験3種 過去問演習
通常演習
同じ年度・科目の順番で進みます。
16 / 16 問
一覧へ戻る 次へ進むと同じ条件を保持します。
問題演習

2022年度 電験3種 下期 - 法規 - 問13(b) 2022年度 下期 法規 問13(b)

電験3種 配点 5
ログイン不要で試せます
問題文

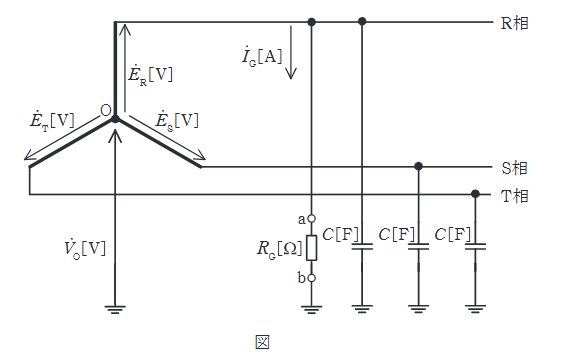
図に示すような、相電圧 \(\dot{E}_R\)[V], \(\dot{E}_S\) [V], \(\dot{E}_T\) [V],角周波数 \(\omega\) [rad/s]の対称三相3線式高圧電路があり、変圧器の中性点は非接地方式とする。電路の一相当たりの対地静電容量を \(C\) [F]とする。 この電路のR相のみが絶縁抵抗値 \(R_G\)[\(\Omega\)]に低下した。このとき、次の(a)及び(b)の問に答えよ。 ただし、上記以外のインピーダンスは無視するものとする。 次の文章は、変圧器の中性点O点に現れる電圧 \(\dot{V}_0\) [V]を求める記述である。 \(\dot{V}_0 =\) (エ) \(+ R_G \dot{I}_G\) ゆえに \(\dot{V}_0 =\) (オ)

2022年度 下期 法規 問13(b)の問題図
図はタップで拡大できます。
選択肢

選択して採点します。

1 選ぶ 2 採点 3 解説
(ア)
(イ)
  • (1)
    (ア)
    \(-\dot{E}_R\)
    (イ)
    \(\dfrac{-\dot{E}_R}{1+j3\omega C R_G}\)
  • (2)
    (ア)
    \(\dot{E}_R\)
    (イ)
    \(\dfrac{\dot{E}_R}{1-j3\omega C R_G}\)
  • (3)
    (ア)
    \(-\dot{E}_R\)
    (イ)
    \(\dfrac{-\dot{E}_R}{1-j3\omega C R_G}\)
  • (4)
    (ア)
    \(\dot{E}_R\)
    (イ)
    \(\dfrac{\dot{E}_R}{1+j3\omega C R_G}\)
  • (5)
    (ア)
    \(\dot{E}_R\)
    (イ)
    \(\dfrac{-\dot{E}_R}{1-j3\omega C R_G}\)
選択肢を選ぶ
選択だけではまだ採点されません。
続けるなら履歴保存

まずこの問題を試せます。無料登録で履歴保存を始めると、14日間は次にやる復習と苦手まで見えます。続けるならライトです。

広告枠
この枠は無料ユーザー向けに表示されます
広告なしで使いたい場合はライト以上へ切り替えると非表示になります。
プランを見る