気づいた点は 運営フォーム(外部) で送れます。
まず問題文だけに集中します。採点後に要点と解説へ進みます。
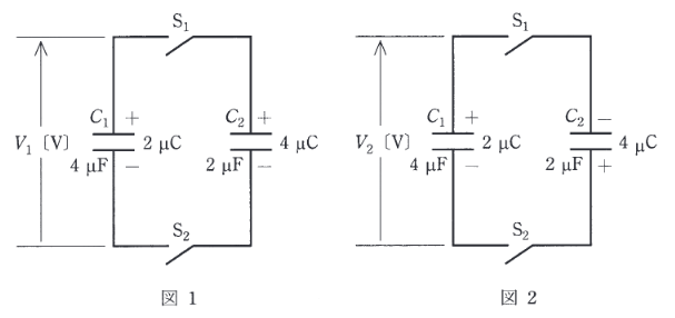
図1及び図2のように、静電容量がそれぞれ4 [μF] と2 [μF] のコンデンサ \(C_{1}\) 及び \(C_{2}\)、スイッチ\(S_{1}\)及び \(S_{2}\) からなる回路がある。コンデンサ \(C_{1}\)と\(C_{2}\)には、それぞれ 2 [μC] と 4 [μC] の電荷が図のような極性で蓄えられている。この状態から両図ともスイッチ \(S_{1}\) 及び \(S_{2}\) を閉じたとき、図1のコンデンサ \(C_{1}\) の端子電圧を \(V_{1}\) [V], 図2のコンデンサ \(C_{1}\) の端子電圧を \(V_{2}\) [V]とすると、電圧比 \(\left|\dfrac{V_{1}}{V_{2}}\right|\) の値として、正しいものを次の(1)~(5)のうちから一つ選べ。
選択後、下の採点ボタンで確認します。
解説を確認して次へ進みます。
要点で考え方を戻し、必要なら詳細解説で手順を追います。
続けるときだけ、近い問題を1問選びます。
まずこの問題を試せます。無料登録で履歴保存を始めると、14日間は次にやる復習と苦手まで見えます。続けるならライトです。