デモ版公開中です。問題を触ったあとに、使いにくかった点は 運営フォーム(外部) から送れます。

進行状況
5 / 22 問

2012年度 電験3種 上期 - 理論 - 問5 電験3種 配点 5

問題文

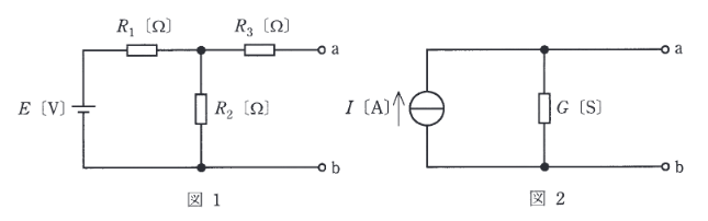
図1のように電圧がE [V] の直流電圧源で構成される回路を、図2のように電流がI [A] の直流電流源(内部抵抗が無限大で、負荷変動があっても定電流を流出する電源)で構成される等価回路に置き替えることを考える。この場合,電流I [A] の大きさは図1の端子a-bを短絡したとき、そこを流れる電流の大きさに等しい。また、図2のコンダクタンスG [S] の大きさは図1の直流電圧源を短絡し、端子a-bからみたコンダクタンスの大きさに等しい。 I [A] とG [S] の値を表す式の組合せとして、正しいものを次の(1)~(5)のうちから一つ選べ。

2012年度 理論 問5
出典:平成24年度第三種電気主任技術者理論科目A問題問5
問題図
図はタップで拡大できます。
選択肢
  • (1)
    \(I = \dfrac{R_{1}}{R_{1}R_{2}+R_{2}R_{3}+R_{3}R_{1}}E\), \(G = \dfrac{R_{2}+R_{3}}{R_{1}R_{2}+R_{2}R_{3}+R_{3}R_{1}}\)
  • (2)
    \(I = \dfrac{R_{2}}{R_{1}R_{2}+R_{2}R_{3}+R_{3}R_{1}}E\), \(G = \dfrac{R_{1}+R_{2}}{R_{1}R_{2}+R_{2}R_{3}+R_{3}R_{1}}\)
  • (3)
    \(I = \dfrac{R_{2}}{R_{1}R_{2}+R_{2}R_{3}+R_{3}R_{1}}E\), \(G = \dfrac{R_{2}+R_{3}}{R_{1}R_{2}+R_{2}R_{3}+R_{3}R_{1}}\)
  • (4)
    \(I = \dfrac{R_{1}}{R_{1}R_{2}+R_{2}R_{3}+R_{3}R_{1}}E\), \(G = \dfrac{R_{1}+R_{2}}{R_{1}R_{2}+R_{2}R_{3}+R_{3}R_{1}}\)
  • (5)
    \(I = \dfrac{R_{3}}{R_{1}R_{2}+R_{2}R_{3}+R_{3}R_{1}}E\), \(G = \dfrac{R_{1}+R_{2}}{R_{1}R_{2}+R_{2}R_{3}+R_{3}R_{1}}\)
選択肢を選んでください
選択だけではまだ採点されません。
この問題を触った感想を送ってください

内容の誤りや不足はもちろん、見づらさや使いにくさも歓迎しています。デモ版の改善に使います。

広告枠
この枠は無料ユーザー向けに表示されます
広告なしで使いたい場合はライト以上へ切り替えると非表示になります。
プランを見る