電験3種 過去問演習

気づいた点は 運営フォーム(外部) で送れます。

通常演習
同じ年度・科目の順番で進みます。
10 / 22 問
一覧へ戻る 次へ進むと同じ条件を保持します。
問題演習

2021年度 電験3種 上期 - 理論 - 問10 2021年度 理論 問10

電験3種 配点 5
ログイン不要で試せます
問題文

まず問題文だけに集中します。採点後に要点と解説へ進みます。

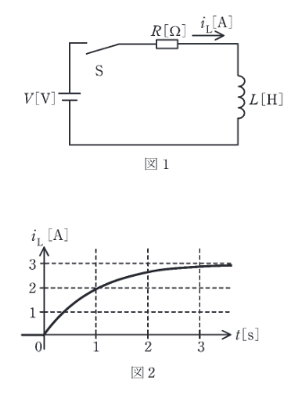
開放電圧が \(V\) [V] で出力抵抗が十分に低い直流電圧源と、インダクタンスが \(L\) [H] のコイルが与えられ、抵抗 \(R\) [\(\Omega\)] が図1のようにスイッチSを介して接続されている。時刻 \(t=0\) でスイッチSを閉じ、コイルの電流 \(i_L\) [A] の時間に対する変化を計測して、波形として表す。\(R=1 \Omega\) としたところ、波形が図2であったとする。\(R=2 \Omega\) であればどのような波形となるか、波形の変化を最も適切に表すものを次の(1)~(5)のうちから一つ選べ。 ただし、選択肢の図中の点線は図2と同じ波形を表し、実線は \(R=2 \Omega\) のときの波形を表している。 (図2: \(t=0\) から立ち上がり、\(t=1\) で約 \(2\) A、\(t\) が十分経つと \(3\) A に収束する曲線)

2021年度 理論 問10の問題図
図はタップで拡大できます。
選択肢

選択後、下の採点ボタンで確認します。

1 選ぶ 2 採点 3 解説
  • (1)
    2021年度 理論 問10 選択肢1の画像
    実線が点線と同じ最終値 (3A) に向かう
  • (2)
    2021年度 理論 問10 選択肢2の画像
    実線が点線より遅く立ち上がり、低い値で収束
  • (3)
    2021年度 理論 問10 選択肢3の画像
    実線が点線より速く立ち上がり、同じ値で収束
  • (4)
    2021年度 理論 問10 選択肢4の画像
    実線が点線より速く立ち上がり、半分の値 (1.5A) で収束
  • (5)
    2021年度 理論 問10 選択肢5の画像
    実線が点線より遅く立ち上がり、半分の値 (1.5A) で収束
選択肢を選ぶ
選択だけではまだ採点されません。
続けるなら履歴保存

まずこの問題を試せます。無料登録で履歴保存を始めると、14日間は次にやる復習と苦手まで見えます。続けるならライトです。

広告枠
この枠は無料ユーザー向けに表示されます
広告なしで使いたい場合はライト以上へ切り替えると非表示になります。
プランを見る