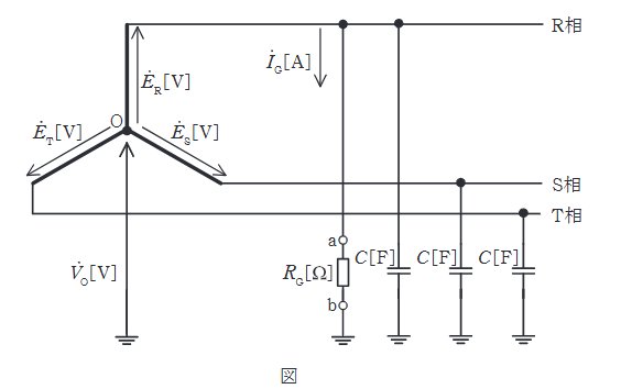
図に示すような、相電圧 \(\dot{E}_R\)[V], \(\dot{E}_S\) [V], \(\dot{E}_T\) [V],角周波数 \(\omega\) [rad/s]の対称三相3線式高圧電路があり、変圧器の中性点は非接地方式とする。電路の一相当たりの対地静電容量を \(C\) [F]とする。
この電路のR相のみが絶縁抵抗値 \(R_G\)[\(\Omega\)]に低下した。このとき、次の(a)及び(b)の問に答えよ。
ただし、上記以外のインピーダンスは無視するものとする。
次の文章は、変圧器の中性点O点に現れる電圧 \(\dot{V}_0\) [V]を求める記述である。
\(\dot{V}_0 =\) (エ) \(+ R_G \dot{I}_G\)
ゆえに \(\dot{V}_0 =\) (オ)
図はタップで拡大できます。
1 選ぶ
2 採点
3 解説
-
(1)
(イ)
\(\dfrac{-\dot{E}_R}{1+j3\omega C R_G}\)
-
(2)
(イ)
\(\dfrac{\dot{E}_R}{1-j3\omega C R_G}\)
-
(3)
(イ)
\(\dfrac{-\dot{E}_R}{1-j3\omega C R_G}\)
-
(4)
(イ)
\(\dfrac{\dot{E}_R}{1+j3\omega C R_G}\)
-
(5)
(イ)
\(\dfrac{-\dot{E}_R}{1-j3\omega C R_G}\)
あなた: -番
正解: 1番
この問題で変わったこと
・この問題では「法規全般」を固められます。
・関連問題 5 問で続けて定着できます。
要点
正解は(1)。中性点対地電圧を \(\dot{V}_0\) と置き、地絡点の電圧関係 \(\dot{V}_0+\dot{E}_R=R_G\dot{I}_G\) から残留電圧を導きます。
詳細解説
中性点残留電圧の導出
中性点残留電圧は、非接地系の地絡時に保護・検出へ関わる量として、相電圧と地絡抵抗電圧の差から整理します。
1. **電圧の関係式**:
中性点 O の対地電圧を \(\dot{V}_0\) とします。
R相の対地電圧 \(\dot{V}_{Rg}\) は、中性点電圧に相電圧を加えたものなので \(\dot{V}_{Rg} = \dot{V}_0 + \dot{E}_R\) です。
一方、地絡点では抵抗 \(R_G\) に電流 \(\dot{I}_G\) が流れているため、R相の対地電圧は \(\dot{V}_{Rg} = R_G \dot{I}_G\) とも表せます。
よって、\(\dot{V}_0 + \dot{E}_R = R_G \dot{I}_G\) より、
\(\dot{V}_0 = -\dot{E}_R + R_G \dot{I}_G\) となります。(エ) = \(-\dot{E}_R\)。
2. **\(\dot{V}_0\) の計算**:
\(\dot{I}_G\) を代入します。
\[ \dot{V}_0 = -\dot{E}_R + R_G \left( \dfrac{j3\omega C \dot{E}_R}{1 + j3\omega C R_G} \right) \]
\[ \dot{V}_0 = \dot{E}_R \left( -1 + \dfrac{j3\omega C R_G}{1 + j3\omega C R_G} \right) \]
通分すると、
\[ \dot{V}_0 = \dot{E}_R \left( \dfrac{-(1 + j3\omega C R_G) + j3\omega C R_G}{1 + j3\omega C R_G} \right) \]
\[ \dot{V}_0 = \dot{E}_R \left( \dfrac{-1 - j3\omega C R_G + j3\omega C R_G}{1 + j3\omega C R_G} \right) = \dfrac{-\dot{E}_R}{1 + j3\omega C R_G} \]
よって (オ) はこれに一致します。
続けるなら履歴保存
まずこの問題を試せます。無料登録で履歴保存を始めると、14日間は次にやる復習と苦手まで見えます。続けるならライトです。
広告枠
この枠は無料ユーザー向けに表示されます
広告なしで使いたい場合はライト以上へ切り替えると非表示になります。
プランを見る