問題文
まず問題文だけに集中します。採点後に要点と解説へ進みます。
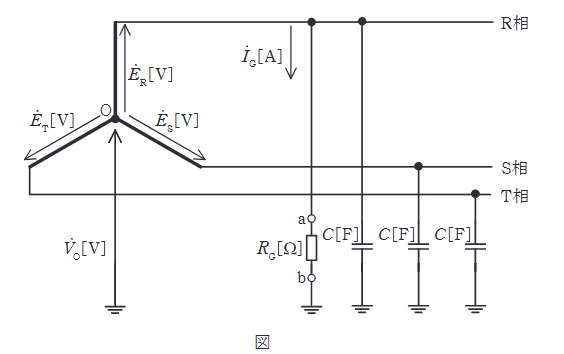
図に示すような、相電圧 \(\dot{E}_R\)[V], \(\dot{E}_S\) [V], \(\dot{E}_T\) [V],角周波数 \(\omega\) [rad/s]の対称三相3線式高圧電路があり、変圧器の中性点は非接地方式とする。電路の一相当たりの対地静電容量を \(C\) [F]とする。
この電路のR相のみが絶縁抵抗値 \(R_G\)[\(\Omega\)]に低下した。このとき、次の(a)及び(b)の問に答えよ。
ただし、上記以外のインピーダンスは無視するものとする。
次の文章は、絶縁抵抗 \(R_G\) [\(\Omega\)]を流れる電流 \(\dot{I}_G\) [A] を求める記述である。
\(R_G\) を取り除いた場合
a-b間の電圧 \(\dot{V}_{ab} =\) (ア)
a-b間より見たインピーダンス \(\dot{Z}_{ab}\) は、変圧器の内部インピーダンスを無視すれば、\(\dot{Z}_{ab} =\) (イ) となる。
ゆえに、 \(R_G\) を接続したとき、 \(R_G\) に流れる電流は、次式となる。
\(\dot{I}_G = \dfrac{\dot{V}_{ab}}{\dot{Z}_{ab}+R_G} =\) (ウ)
図はタップで拡大できます。
1 選ぶ
2 採点
3 解説
-
(1)
(イ)
\(\dfrac{1}{j3\omega C}\)
(ウ)
\(\dfrac{j3\omega C \dot{E}_R}{1+j3\omega C R_G}\)
-
(2)
(ウ)
\(\dfrac{-j3\omega C \dot{E}_R}{1-j3\omega C R_G}\)
-
(3)
(ウ)
\(\dfrac{j\omega C \dot{E}_R}{3+j\omega C R_G}\)
-
(4)
(イ)
\(\dfrac{1}{j3\omega C}\)
(ウ)
\(\dfrac{\dot{E}_R}{1-j3\omega C R_G}\)
-
(5)
(ウ)
\(\dfrac{\dot{E}_R}{1+j3\omega C R_G}\)
あなた: -番
正解: 1番
この問題で変わったこと
・この問題では「法規全般」を固められます。
・関連問題 5 問で続けて定着できます。
要点
正解は(1)。非接地系のR相地絡をテブナン等価で見て、開放電圧を \(\dot{E}_R\)、合成対地静電容量を \(3C\) とします。分母分子に \(j3\omega C\) を掛ける形が決め手です。
詳細解説
地絡電流の導出
法規科目の非接地式電路に関する地絡計算として、対地静電容量を含む等価回路で保護上の電流を求めます。
テブナンの定理を用いて考えます。
1. **開放電圧 \(\dot{V}_{ab}\)**: \(R_G\) を接続する前の端子a(R相)と端子b(大地)間の電圧です。非接地系で完全平衡状態であれば中性点の対地電位は0なので、R相の対地電圧は相電圧そのものになります。(ア) = \(\dot{E}_R\)。
2. **インピーダンス \(\dot{Z}_{ab}\)**: 端子a-b間から電源側を見たインピーダンスです。電源電圧源を短絡すると、R, S, Tの各相は中性点Oで結合された形になります。大地に対し、3相それぞれの静電容量 \(C\) が並列に接続されている状態と等価になります(O点から見てR, S, Tそれぞれのコンデンサが大地へつながる)。
したがって、合成静電容量は \(3C\) となり、インピーダンスは \(\dfrac{1}{j\omega(3C)} = \dfrac{1}{j3\omega C}\) です。(イ) = \(\dfrac{1}{j3\omega C}\)。
3. **電流 \(\dot{I}_G\)**:
\[ \dot{I}_G = \dfrac{\dot{E}_R}{\dot{Z}_{ab} + R_G} = \dfrac{\dot{E}_R}{\frac{1}{j3\omega C} + R_G} \]
分母分子に \(j3\omega C\) を掛けると、
\[ \dot{I}_G = \dfrac{j3\omega C \dot{E}_R}{1 + j3\omega C R_G} \]
よって (ウ) はこれに一致します。
続けるなら履歴保存
まずこの問題を試せます。無料登録で履歴保存を始めると、14日間は次にやる復習と苦手まで見えます。続けるならライトです。
広告枠
この枠は無料ユーザー向けに表示されます
広告なしで使いたい場合はライト以上へ切り替えると非表示になります。
プランを見る