デモ版公開中です。問題を触ったあとに、使いにくかった点は 運営フォーム(外部) から送れます。

進行状況
6 / 22 問

2014年度 電験3種 上期 - 機械 - 問6 電験3種 配点 5

問題文

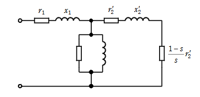
次の文章は、三相誘導電動機の等価回路に関する記述である。 三相誘導電動機の1相当たりの等価回路は、 (ア) と同様に表すことができ、その等価回路を使用することによって電圧V及び周波数を同時に変化させるインバータで運転したときの磁束、トルクの特性を検討することができる。 図の (イ) 等価回路において、誘導電動機を例えば定格周波数、定格電圧の数パーセント程度の周波数、電圧で始動するときの特性を考える。この場合、もし始動電流が定格電流と同じだけ流れると、 (ウ) による電圧降下の一次電圧に対する比率が定格時よりも大きくなるので、磁束が減少し、発生トルクが (エ) することが理解できる。また、誘導電動機を例えば定格周波数、定格電圧で運転するときは、上記電圧降下による計算誤差が小さく、計算が簡単になるので、励磁回路を図の (オ) 側に移した簡易等価回路を使うことも有効である。この運転では、もしインバータが出力する電圧Vが減少したとしても、比 \(\dfrac{V}{f}\) を一定に保つように周波数 \(f\) を減少させれば、負荷変動に影響されずに励磁電流がほぼ一定となることが分かる。 [図: T形等価回路] 上記の記述中の空白箇所(ア)、(イ)、(ウ)、(エ)及び(オ)に当てはまる組合せとして、正しいものを次の(1)~(5)のうちから一つ選べ。

2014年度 機械 問6
出典:平成26年度第三種電気主任技術者機械科目A問題問6
問題図
図はタップで拡大できます。
選択肢
(ア)
(イ)
(ウ)
(エ)
(オ)
  • (1)
    (ア)
    同期電動機
    (イ)
    L形
    (ウ)
    一次抵抗
    (エ)
    増加
    (オ)
    右端の負荷抵抗
  • (2)
    (ア)
    変圧器
    (イ)
    T形
    (ウ)
    一次抵抗
    (エ)
    減少
    (オ)
    左端の端子
  • (3)
    (ア)
    同期電動機
    (イ)
    T形
    (ウ)
    二次漏れリアクタンス
    (エ)
    減少
    (オ)
    右端の負荷抵抗
  • (4)
    (ア)
    変圧器
    (イ)
    L形
    (ウ)
    一次抵抗
    (エ)
    増加
    (オ)
    右端の負荷抵抗
  • (5)
    (ア)
    変圧器
    (イ)
    T形
    (ウ)
    二次漏れリアクタンス
    (エ)
    減少
    (オ)
    左端の端子
選択肢を選んでください
選択だけではまだ採点されません。
この問題を触った感想を送ってください

内容の誤りや不足はもちろん、見づらさや使いにくさも歓迎しています。デモ版の改善に使います。

広告枠
この枠は無料ユーザー向けに表示されます
広告なしで使いたい場合はライト以上へ切り替えると非表示になります。
プランを見る